( 6 )mm
( 8 )mm
( 10 )mm
( 12 )mm
( 16 )mm
( 19 )mm
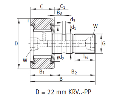
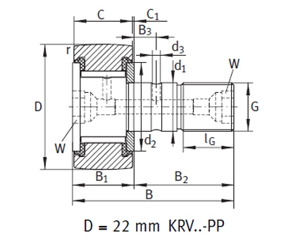
( 22 )mm
( 26 )mm
( 30 )mm
( 32 )mm
( 28 )mm
( 32 )mm
( 36 )mm
( 40 )mm
| PDF 下载 |
询价 | 型号 | 质量m ≈g | 带偏心套 型号 | 质量m ≈g | 尺寸mm | 压入式配合 润滑油嘴1) | 拧紧力矩 MA Nm | 基本额定载荷N | 疲劳极限载荷 Curw N | 转速 nDG min–1 | |||||||||||||||||
|---|---|---|---|---|---|---|---|---|---|---|---|---|---|---|---|---|---|---|---|---|---|---|---|---|---|---|---|---|
| D | d1 h7 |
B | B1 max |
B2 | B3 | C | C1 | r min |
d2 | d3 | G | lG | W2) | 偏心套 de h9 |
偏心套 Be |
偏心套 e |
动载荷 Crw |
静载荷 Corw |
||||||||||